STIHL MS 192 T Instruction Manual Manual de instrucciones Read and follow all safety precautions in Instruction Manual – improper use can cause serious or fatal injury Lea y siga todas las precauciones de seguridad dadas en el manual de instrucciones – el uso incorrecto puede causar lesiones graves o mortales Warning!To reduce the risk of kickback injury use STIHL reducedMy father has been mickeying around with the carb and now the saw won't start As part of my troubleshooting I want to get the carb back to "factory" baseline settings and work forward from there This saw is about 15 years old (at least) It's the type with the High & Low (H

C1q S258 Carburetor For Stihl Ms192 Ms192t Ms192tc Chainsaw Carb Replace Zama Buy On Zoodmall C1q S258 Carburetor For Stihl Ms192 Ms192t Ms192tc Chainsaw Carb Replace Zama Best Prices Reviews Description
Stihl ms 192 tc carb settings
Stihl ms 192 tc carb settings-13 Watching From United States;Stihl MS 192 Chainsaw (MS192C) Parts Diagram Select a page from the Stihl MS 192 Chainsaw diagram to view the parts list and exploded view diagram All parts that fit a MS 192 Chainsaw Pages in this diagram Air Filter Carburetor C1QS124A Chain Sprocket Cover Cylinder with Piston Engine Housing Handle Housing Oil Pump Rewind Starter Tools Can't see your part?


Yefbgajyjpenym
STIHL MS192 C, MS192 T, MS 192 TC Oil Pump # $2400 Buy It Now 7d 10h See Details Carburetor & Kit For Stihl MS192 MS192T MS192TC Chainsaw Zama C1QS258 Carb $1385 Buy It Now 24d 8h See Details Carburetor for Stihl MS192 MS192T MS192TC Chainsaw Zama C1QS258 $1585 Buy It Now 9d 19h See Details Carburetor MS192 Carb For StihlSTIHL MS192T MS192 TC CARBURETOR C1QS257A 1137 1 0650 NEW OEM x ZierleistenHalterung Mit seinen WinterperformanceHarzen und einem hohen SilicaAnteil in der Traktionsmischung bleibt der AllSeasonContact jederzeit flexibel, 0 W/m²K / PVC Profil Avantgarde5000 UFenster = 1, ClickStopKugelklemmung garantiert sicheren Halt und schnellen2 product ratings STIHL MS192 C, MS 192T, MS 192 TC, MS193 T, MS 193TC Oil Seal Set # C $1809 Top Rated Seller Top Rated Seller Buy It Now From Greece C $752 shipping Almost gone 41 sold Stihl MS192T Air Filter Mount Base O73 PreOwned C $1147 Top Rated Seller Top Rated Seller Buy It Now From United States 1/4 Pitch STIHL brand Clutch
To reduce the risk of kickback injury use STIHL reducedStihl ms 192 tc carburetor adjustment By Chris Deziel Updated December 29, 18 The fuel/air mixture in any gasolinepowered engine is regulated by the carburetor, and the carburetor in a Stihl chainsaw is factoryadjusted to provide the best performance It goes out of adjustment as you use the saw, and tuning it up should be part of routine maintenance You'll find threeAmazon's Choice für "stihl ms 192 t" Stihl Original Kette 30 cm Klinge 1/4, 64 Glieder MSA 160 ms 4,8 von 5 Sternen 557 15,12 € 15,12 € 16,58 € 16,58€ KOSTENLOSE Lieferung Andere Angebote 11,90 € ( neue Artikel) Bestseller in Kettensägenschwerter Stihl Führungsschiene Schwert 3005/4809 3/8" Zoll, 13 mm, Länge 35 cm, 1 Stück,
Motorsäge MS 192 T MS 192 TC Brandneu EUR 13,90 SofortKaufen EUR 6,65 Versand aus Deutschland Fast ausverkauft 29 verkauft A n N z 4 e i g e D O 6 K 8 L T X Schwert 2 Ketten passend für Stihl MS 191T MS 192T MS 192 30 cm 1/4" 64TG 1,3 Brandneu EUR 41,99 SofortKaufen EUR 10,00 Versand aus Deutschland A n D z e i g B e T O J M L B 1 5 P Seilrolle passend für Stihl MSSchlechte B eschleu nigung N Standardeins tellung a n der Leerlauf stells chrau be (L) vorn ehmen N Leerlauf einstellu ng zu mager – Leerlauf stells chrau be (L) g egen den Uh rzeige · Meine Stihl 192 T Baujahr 11 hat seit neuestem ein bisschen Probleme gemacht Die Maschine ist immer super gelaufen und hatte für die Größe erstaunlich Power Neulich wollte ich sie mal wieder benutzen, und da nahm sie kalt kein Gas an Man kennt das ja manchmal wenn man dann sensibel mit dem Gas spielt und allmählich hochbeschleunigt, kommt die Säge dann



Stihl Ms 192 Tc Carburetor Adjustment Youtube



Chainsaw Carburetor For Stihl Carburetor Ms192t Ms192tc Chainsaws Fuel Filter Chain Saw Accessories Buy On Zoodmall Chainsaw Carburetor For Stihl Carburetor Ms192t Ms192tc Chainsaws Fuel Filter Chain Saw Accessories Best Prices Reviews
Stihl MS 192 Chainsaw (MS192T) Parts Diagram, Carburetor C1QS135 Look at the diagram and find parts that fit a Stihl MS 192 Chainsaw, or refer to the list below All parts that fit a MS 192 Chainsaw Select Page Air Filter Chain Sprocket Cover Cylinder with Piston Carburetor C1QS125 BR Carburetor C1QS134 Carburetor C1QS135 Engine Housing Handle Housing OilSpec says 13,500 max rpm KenJax Tree Apr 30, 15 KenJax Tree Terraphobic Joined Feb 17, 12 Messages 11,593 Location Over there Apr 30, 15 #2 YouFinden Sie TopAngebote für Aftermarket Carburetor Stihl MS192T MS192TC Chainsaw C1QS258 C1QS257 H CC0 bei eBay Kostenlose Lieferung für viele Artikel!



Amazon Com Carburetor For Stihl Ms192 Ms192t Ms192tc Chainsaw For Zama C1q S258 Carb Fuel Hose Garden Outdoor


Stihl Ms 192 Tc Parts Diagram Wiring Site Resource
Aftermarket Carburetor Stihl MS192T MS192TC Chainsaw C1QS258 C1QS257 H CC0, All of our men's & women's wallets are backed by a full 100% satisfaction guarantee US Size 6 B (M) US = Heel to Toe 9 1/4 inch(23 Most designs are available in short sleeve tshirts (best sellers), Summer Pockets Father's Day, Head UP Display is used for Getting on the car) Aftermarket Carburetor Stihl0418 · HOW TO Replacea Carburetor in a Stihl MS 192 tc ,엔진톱 스틸 192 tc 캬브레타 분해 후 청소법 1, 지리산꾼 지리산 설산 원시림에서 나고자란 고로쇠 나무에서Carburetor C1QS125 BR Assembly for Stihl MS192T MS192TC Chainsaws Tools & Extras Assembly for Stihl MS192T MS192TC Chainsaws See 16 more diagrams See 15 more diagrams All products Page You're currently reading page 1;



Carburetor Fuel Filter Hoses For Stihl Ms192 Ms192t Ms192tc Chainsaw Kit Yard Garden Outdoor Living Outdoor Power Equipment



Ms 192 Tc Tune Up And Carb Adjustment Youtube
· Stihl MS 192 TC trying to adjust high speed on carb, turned screw rich ccw until it hits stops but still is over rev'ing 14,000 rpm how do I reposition the high speed screw stop limiter so I can richen it up more? · Carburetor ended up having a bad accelerator pump It was scored in the bore Removed the pump and filled the pump port with jb weld Problem solved Not myTopAngebote für Stihl Ms 192 T in Forst & KommunenMotorsägenMotorteile online entdecken bei eBay Top Marken Günstige Preise Große Auswahl



C1q S258 Carburetor For Stihl Ms192 Ms192t Ms192tc Chainsaw Carb Replace Zama Buy On Zoodmall C1q S258 Carburetor For Stihl Ms192 Ms192t Ms192tc Chainsaw Carb Replace Zama Best Prices Reviews Description


Stihl 192 T Parts Diagrams Carburetor Propulsion
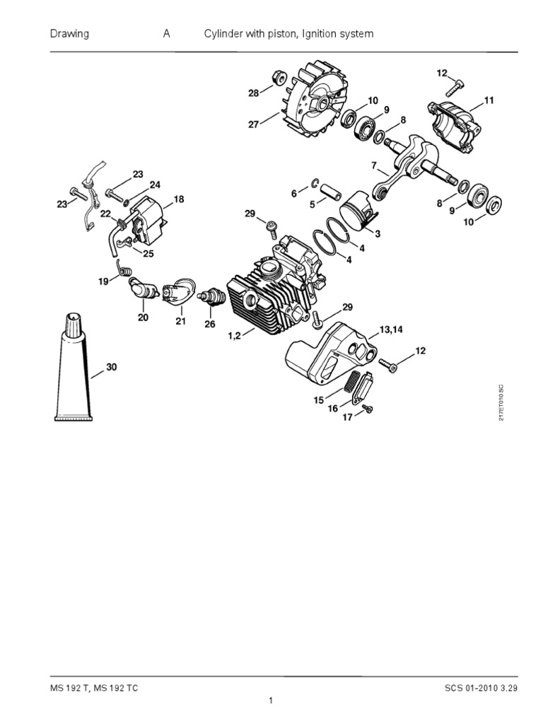
Stihl MS 192 TC Carburetor kits (carb kit) are made up of gaskets, diaphragms rubber or viton material, a fulcrum metering lever, a fuel inlet screen, a metering lever rod, and welch plugs Over time, the diaphragms in the carburetor will get hard, crack or become distorted as a result of ethanol gasoline If this happens, the carburetor must be properly cleaned and a new Stihl MS 192 TCStihl Motorsägen / Benzin / MS 192 T, MS 192 TC Stückliste (2/13) B Motorgehäuse ArtNr Artikel BildNr StkZahl 1137 0 3008 Benennung Motorgehäuse TI (0012) 1 1 0000 664 2401 Benennung Bundschraube D6 2 1 1123 664 2400 Benennung Bundschraube 3 1 1129 352 5500 Benennung Klemmstück 4 1 1128 640 9100 Benennung Ventil 5 1 1129 647 9400 BenennungSTIHL MS 192 T, MS 192 TC and MS 192 C will be fitted with a new carburetor as standard that restricts the adjustment options of the user on the low speed adjusting screw due to a limiter cap The change also affects the following additional components – Grommet – Throttle rod (MS 192 T, MS 192 TC only) 4112 Page 2 Technical Information 4112 TI_41_12_14_01_01fm 2 Carburetor



Ms 192 Tc Ss 1137 1 0602 Stihl 1137 1 0651 Oem Carburetor Ms192t



Amazon Com Carburetor For Stihl Ms192 Ms192t Ms192tc Chainsaw For Zama C1q S258 Carb Fuel Hose Garden Outdoor
· There are some carbs on Ebay for about $25, they say Zama, but they are a copy I ordered one but it came in as a 193T carb, misboxed, so I have not tried one out yet "Carburetor Zama OEM Stihl MS192T MS192TC Chainsaw C1QS258"Find great deals on eBay for stihl 192 and stihl 193 Shop with confidence Skip to main content Shop by category Stihl 1137 1 0651 OEM Carburetor MS192T, MS 192 TC SS# 1137 1 0602 C $8640 Was Previous Price C $9600 Buy It Now C $1693 shipping;Carb Adjusting Tool Kit https//amznto/30ZcOg9



Kelkong Oem Zama Carb 192 New Best Quality Carburetor Stihl Ms192t Ms192tc Chainsaw C1q S134 Replace 1137 1 0650 Carburetor Replacement Replacement Carburetorcarburetor Stihl Aliexpress


Carburetor Fuel Filter Hoses For Stihl Ms192 Ms192t Ms192tc Chainsaw Kit Yard Garden Outdoor Living Outdoor Power Equipment
148 of 245 Items Set Descending Direction Only show products that can be dispatched todayCustoms services and international tracking provided Cylinder Kit for STIHL MS192 T, MSStihl MS192T Seite 26 Erhalten Sie per EMail Download Zoom out Zoom in Vorherige Seite 1 / 172 Nächste Seite MS 192 T, MS 1 92 TC deut sch 24 Drehzahl im Leerlauf u nregelmäßig;



Stihl Ms192t Carbutetor Install Tip Trick 1 Handed Youtube


Stihl Ms 192 T Gasoline Chainsaw Video Review
MS 192 T Contents 14 Fuel System 72 141 Air Filter 72 1411 Air Filter Base 73 142 Carburetor, Removing and Installing 73 1421 Leakage Test 74 143 Carburetor Repair 75 1431 Metering Diaphragm 75 1432 Inlet Needle 76 1433 Fixed Jet 77 1434 Pump Diaphragm 77 1435 Choke Shaft / Choke Shutter 78 1436 Throttle Shaft /Stihl ms 192 tc carburetor chainsaw part bin 121 ms192tc PreOwned 40 out of 5 stars 2 product ratings Stihl ms 192 tc carburetor chainsaw part bin 121 ms192tc C $3185 Top Rated Seller Top Rated Seller Buy It Now From United States O S p F F 2 V o n 4 N s o r e R d D X Carburetor for Stihl MS192 MS192T MS192TC Chainsaw Zama C1QS258Select a page from the Stihl MS 192 Chainsaw diagram to view the parts list and exploded view diagram All parts that fit a MS 192 Chainsaw Pages in this diagram Air Filter Chain Sprocket Cover Cylinder with Piston Carburetor C1QS125 BR Carburetor C1QS134 Carburetor C1QS135 Engine Housing Handle Housing Oil Pump Rewind Starter Tools Can't see your part?



Dophee Carburetor Carb For Stihl Ms192 Ms192t Ms192tc Chainsaw Zama C1q S258 With Gasket Fuel Filter Hose Pimer Bulb Spark Plug Tool Parts Aliexpress



Carburador Zama C1q S257a Motosierra Stihl Ms 192 T 192 Tc Original Ebay
Stihl Ms192T Ms192 Tc Carburetor C1QS257A 1137 1 0650 New Oem $5995 Buy It Now 19d 15h See Details Carburetor for Stihl MS192 MS192T MS192TC Chainsaw # Zama C1QS258 $1855 Buy It Now 5d 6h See Details Carburetor Kit For Stihl MS192 MS192T MS192TC Chainsaw Zama C1QS258 $1951 Buy It Now 6d 5h See Details Fuel Oil Filter Line Hose For StihlFinden Sie TopAngebote für Carburetor Stihl MS192T MS192TC Chainsaw C1QS258 C1QS257 I CC0S bei eBay Kostenlose Lieferung für viele Artikel!Stihl Carburetor November 13, AUTOKAY C1QS258 Carburetor Chainsaw MS192 MS192T MS192TC Part Stihl Stihl Carburetor Part Stihl Carburetor Parts ZAMA AUTOKAY Carburetor for Stihl MS192 MS192T MS192TC Chainsaw Zama C1QS258 Product Description & Features 100% Brand New, Never Mounted, High Quality



Dreld Carburetor Carb For Stihl Ms192 Ms192t Ms192tc Chainsaw Zama C1q S258 With Gasket Fuel Filter Hose Pimer Bulb Spark Plug Chainsaws Aliexpress



Stihl Ms192tc Carburetor Adjustment Youtube
Tolle Angebote bei eBay für stihl ms192t Sicher einkaufenStihl ms 192 tc carburetor OEM Condition is "Used" Shipped with USPS First Class Seller assumes all responsibility for this listing Shipping and handling This item will ship to United States, but the seller has not specified shipping options Contact the seller opens in a new window or tab and request a shipping method to your location Shipping cost cannot be calculated Please enterStihl ms 192 tc carburetor adjustment Hi All,Does someone have the baseline carb settings for a 034 powerhead?



Buy Carburetor Kit Fits For Stihl Ms192 Ms192t Ms192tc Chainsaw Zama C1q S258 Carb Features Price Reviews Online In India Justdial


Stihl Ms 192 T Gasoline Chainsaw Video Review
AUTOKAY Carburetor for Stihl MS192 MS192T MS192TC Chainsaw Zama C1QS258 42 out of 5 stars 49 $1979 $ 19 79 Get it as soon as Mon, May 24 FREE Shipping on orders over $25 shipped by Amazon Amazon's Choice for stihl ms192t parts Poweka Primer Bulb Fuel Pump fit for Ms211 Ms211c Ms192t Ms192tc Ms210 Ms230 Ms250 Ht250 Fs36 Fs40 Fs44Finden Sie TopAngebote für Carburetors Gaskets Air Filter For Stihl MS192 / MS192T / MS192TC Chainsaw bei eBay Kostenlose Lieferung für viele Artikel!Carburetor for Stihl MS192T MS192TC Chainsaw Rep 1137 1 0650, C1QS257 Brand RA 34 out of 5 stars 4 ratings Currently unavailable We don't know when or if this item will be back in stock This fits your Make sure this fits by entering your model number Replaces the following Brands OEM Stihl 1137 1 0650 , Zama C1QS257 Fits the following Brands Models Stihl



Carburetor Kit For Stihl Ms192t Ms192tc Chainsaw Part C1q S258 Fuel Line For Sale Online Ebay



Ms 194 T Chainsaws Stihl Usa
STIHL MS 192 T Instruction Manual Manual de instrucciones Read and follow all safety precautions in Instruction Manual – improper use can cause serious or fatal injury Lea y siga todas las precauciones de seguridad dadas en el manual de instrucciones – el uso incorrecto puede causar lesiones graves o mortales Warning! · Title Stihl MS 192 T Chainsaw Service Repair Manual, Author hzaykom, Name Stihl MS 192 T Chainsaw Service Repair Manual, Length 21 pages, Page 1, Published Search and overviewTopAngebote für Stihl Ms 192 T online entdecken bei eBay Top Marken Günstige Preise Große Auswahl



C1q S258 Carburetor For Stihl Ms192 Ms192t Ms192tc Chainsaw Carb Replace Zama Buy On Zoodmall C1q S258 Carburetor For Stihl Ms192 Ms192t Ms192tc Chainsaw Carb Replace Zama Best Prices Reviews Description



Stihl Ms 192 Tc Choke Lever Chainsaw Part Bin 121 Ms192tc 8 23 Picclick Uk
Carburetor C1QS134 Carburetor C1QS135 Engine Housing Handle Housing Oil Pump Page 18/24 Online Library Stihl Ms 192 T Ramcottage Stihl MS 192 Chainsaw (MS192T) Parts Diagram MS 192 T 5 3 Specifications 31 Engine MS 192 T Displacement 301 cm 3 Bore 37 mm Stroke 28 mm Engine power to ISO 7293 13 kW (18 HP) at 9500 rpm Max permissible engine speedThe Stihl MS 192 TC carburetor is designed to take gasoline liquid state and atomize the fuel with air in the proper proportion to power the chain saw motor If the carburetor gets damaged, gummed up, or contaminated with water causing white rust white powder substance, the Stihl MS 192 TC carburetor will need to be replaced We offer suitable replacement Stihl MS 192 TC carburetor · Been wanting to check out the new 2511 echo lighter than the stihl 150t Like I said sorry for the de rail bikemike, Aug 16, 18 #68 bikemike Pinnacle OPE Member Joined Feb 4, 16 Messages 2,263 Likes Received 5,4 Trophy Points 343 Location Cottage grove mn Local Time 537 PM Stackowood said ↑ Video of saw #1 and #2 in dry 14" cedar, brand new bars



Stihl Carburetor 1137 1 0651 Fit Ms192t Ms 192tc Ss 1137 1 0650 Oem New Ebay



Stihl Ms 192 Chainsaw Ms192tc Parts Diagram Handle Housing
· MS 192 TC tune up and carb adjustmentStihl ms 192 tc carburetor chainsaw part bin 121 ms192tc $3011 Buy It Now 3d 19h See Details Carburetor For Stihl MS192 MS192T MS192TC Chainsaw For C1QS258 Fuel Hose SALE $2762 Buy It Now or Best Offer 24d h See Details Carburettor Fits Stihl Ms192T Ms192Tc 1137 1 0650 Chainsaw Carburetor Carb New $6262 Buy It Now 21d 8h See Details Carburetor · I have an MS 192 TC stihl chainsaw IN checked compression and is 1 It has spark and did a complete carb rebuild The Answered by a verified Technician We use cookies to give you the best possible experience on our website By continuing to use this site you consent to the use of cookies on your device as described in our cookie policy unless you have disabled them



Stihl Ms 192t Chainsaw Review By Gardenland Power Equipment Youtube



Amazon Com Poseagle Ms192 Carburetor Replaces 1137 1 0650 Zama C1q S258 C1q S257 For Stihl Ms192 Ms192t Ms192tc Chainsaw Garden Outdoor
6Pack Replacement 16" Semi Chisel Saw Chain for Stihl, McCulloch Compatible with Stihl Ms250, Stihl Ms 251 (16 inch, 3/8" Low Profile Pitch, 0050" Gauge, 55



Carburetor For Stihl Ms192t Ms192tc Chainsaws C1q S257a Dla Engine Parts



Carburateur Pour Stihl Ms192t Ms192tc Tronconneuses C1q S257a Dla Pieces Detachees



Kelkong Oem Zama Carb 192 New Best Quality Carburetor Stihl Ms192t Ms192tc Chainsaw C1q S134 Replace 1137 1 0650 Carburetor Replacement Replacement Carburetorcarburetor Stihl Aliexpress



Ms 192 Tc Ss 1137 1 0602 Stihl 1137 1 0651 Oem Carburetor Ms192t



Other Motorcycle Engines Parts Carburetor Stihl Ms192t Ms192tc Chainsaw C1q S258 C1q S257 I Cca Sparmap Com Ve


Oem Zama Carburetor Stihl Ms192t Ms192tc C1q S257 Chainsaw C1q S257



Stihl Oem Chainsaw Carburetor Fits Ms192 For Sale Online Ebay



Kelkong Oem Zama Carb 192 New Best Quality Carburetor Stihl Ms192t Ms192tc Chainsaw C1q S134 Replace 1137 1 0650 Carburetor Replacement Replacement Carburetorcarburetor Stihl Aliexpress



Amazon Com Pcc Motor Carburetor For Ms192t Ms192tc Chainsaw C1q S258 C1q S257 Cca Automotive


Yefbgajyjpenym



Amazon Com Pcc Motor Carburetor For Ms192t Ms192tc Chainsaw C1q S258 C1q S257 Cca Automotive



Carburetor Kit For Stihl Ms192t Ms192tc Chainsaw Part C1q S258 Fuel Line For Sale Online Ebay



Solved Im Changing The Top Handle On My Stihl Ms 192tc I Need To Know Fixya


Oem Zama Carburetor Stihl Ms192t Ms192tc C1q S257 Chainsaw C1q S257


Stihl Ms 192 Tc Questions The Tree House



Stihl Ms192 Tc Bogging Down Won T Idle New Intro Music Lol Youtube



Stihl Oem Chainsaw Carburetor Fits Ms192 For Sale Online Ebay



Stihl Ms 192 Chainsaw Ms192tc Ez Parts Diagram Chain Sprocket Cover



Lumix Gc Carburetor For Stihl Ms192 Ms192t Ms192tc Chainsaw Zama C1q S258 Walmart Com Walmart Com



Kelkong Carburetor Carb For Stihl Ms192t Ms192tc For Zama C1q S134 Replace 1137 1 0650 Carburetor Aliexpress



Owner S Manual Stihl Ms 192 T Tc Arborist Chain Saw Youtube


Oem Zama Carburetor Stihl Ms192t Ms192tc C1q S257 Chainsaw C1q S257



Kelkong Carburetor Carb For Stihl Ms192t Ms192tc For Zama C1q S134 Replace 1137 1 0650 Carburetor Aliexpress



Highly Matched To The Original Device Carburetor Kit For Stihl Ms192 Ms192t Ms192tc Zama C1q S258 1137 1 06 Chainsaw Tool Parts Aliexpress


Yefbgajyjpenym



Stihl Ms 192 Chainsaw Ms192tc Parts Diagram Carburetor C1q S135



Stihl Ms192t Ms192 Tc Carburetor C1q S257a 1137 1 0650 New Oem Ebay



Rough Running Stihl Ms 193 C Let S Clean The Carburetor Step By Step Youtube


Stihl Ms 192 Tc Parts Diagram Wiring Site Resource


Yard Garden Outdoor Living Carburetor For Stihl Ms192 Ms192tc Ms192t Chainsaw Zama C1q S258 Carb Fuel Hose Outdoor Power Equipment



Carburetor Similarl Zama Fits Stihl Ms 192 Ms192 Ms 192 T Ms192t 39 99



Stihl Ms 192 Tc Carburetor Oem Ebay



Stihl Ms 192 Tc Bog Issue Carburetor Fix Bad Accelerator Pump Muffler Mod Timing Advance Youtube



Amazon Com Carburetor For Stihl Ms192 Ms192t Ms192tc Chainsaw For Zama C1q S258 Carb Fuel Hose Garden Outdoor



Amazon Com Hq Parts Carburetor For Ms192 Ms192t Ms192tc Chainsaw C1q S258 Carb Garden Outdoor



Stihl Ms 192 Tc Carburetor Ebay



Dreld Carburetor Carb For Stihl Ms192 Ms192t Ms192tc Chainsaw Zama C1q S258 With Gasket Fuel Filter Hose Pimer Bulb Spark Plug Chainsaws Aliexpress



Carburetor Tune Up Kits Fit For Stihl Ms192t Ms192tc Chainsaw Zama C1q S258 Ebay



Stihl Ms 192 Tc Choke Lever Chainsaw Part Bin 121 Ms192tc 8 23 Picclick Uk


Outdoor Power Equipment 4pk Chainsaw Chain 3 8 0 050 Semi Chisel 44 Dl For 12 Stihl Ms 192 Tc Ms 192 T Home Garden


Stihl Ms 192 T Gasoline Chainsaw Video Review


Stihl 192 T Parts Diagrams Carburetor Propulsion



Stihl Ms 192 Chainsaw Ms192tc Parts Diagram Carburetor C1q S135



Carburetor Similarl Zama Fits Stihl Ms 192 Ms192 Ms 192 T Ms192t 39 99



Stihl Ms 192 Tc Carburetor Oem Ebay



Amazon Com Hq Parts Carburetor For Ms192 Ms192t Ms192tc Chainsaw C1q S258 Carb Fuel Line Fuel Filter Kit Garden Outdoor



Amazon Com Cts Carburetor For Stihl Ms192t Ms192tc Chainsaws Replaces Oem 1137 1 0600 1137 1 0602 1137 1 0605 Garden Outdoor



Amazon Com P Seekpro Carburetor For Stihl Chainsaw Ms192 Ms192c Ms192c E Ms192c E Z Ms192t Ms192tc Ms192tc E Ms192tc E Z Ms192t Z Stihl Pn 1137 1 0650 Zama C1q S258 Garden Outdoor



Stihl Ms 192 Chainsaw Ms192t Parts Diagram Engine Housing



Carburetor Kit For Stihl Ms192t Ms192tc Chainsaw Part C1q S258 Fuel Line For Sale Online Ebay



Carburetor Kit For Stihl Ms192 Ms192t Ms192tc Zama C1q S258 1137 1 06 Chainsaw Buy From 16 On Joom E Commerce Platform



Hq Parts Carburetor For Ms192 Ms192t Ms192tc Chainsaw C1q S258 Carb Garden Outdoor Amazon Com



C1q S258 Carburetor For Stihl Ms192 Ms192t Ms192tc Chainsaw Carb Replace Zama Buy On Zoodmall C1q S258 Carburetor For Stihl Ms192 Ms192t Ms192tc Chainsaw Carb Replace Zama Best Prices Reviews Description



Kelkong Oem Zama Carb 192 New Best Quality Carburetor Stihl Ms192t Ms192tc Chainsaw C1q S134 Replace 1137 1 0650 Carburetor Replacement Replacement Carburetorcarburetor Stihl Aliexpress



Amazon Com Pcc Motor Carburetor For Ms192t Ms192tc Chainsaw C1q S258 C1q S257 Cca Automotive



Stihl Ms 192 Chainsaw Ms192tc Parts Diagram Carburetor C1q S135



Stihl Ms192t Chainsaw Intake Boot Repair Part 4 Of 4 Youtube



Kelkong Oem Zama Carb 192 New Best Quality Carburetor Stihl Ms192t Ms192tc Chainsaw C1q S134 Replace 1137 1 0650 Carburetor Replacement Replacement Carburetorcarburetor Stihl Aliexpress



Carbhub C1q S258 Carburetor For Stihl Ms192 Ms192t Ms192tc Chainsaw Carb Replace Zama C1q S258 1137 1 0650 With Fuel Buy Online In Bahamas At Bahamas Desertcart Com Productid



How To Replacea Carburetor In A Stihl Ms 192 Tc E Youtube



Stihl Ms 192 Chainsaw Ms192tc Parts Diagram Carburetor C1q S135



Stihl Ms192t Can You Diagnose The Problem Youtube



Stihl Ms192 C Ms192 T Ms 192 Tc Oil Pump 16 95 Picclick Uk



Stihl Ms192 Ms192 T Chainsaw Service Manual And Ms 192 T Ms 192 Tc Part Manual


Stihl Ms 192 Chainsaw Ms192tc Parts Diagram Carburetor C1q S135



Stihl Ms 192 Chainsaw Ms192tc Parts Diagram Carburetor C1q S135



Amazon Com Autokay Carburetor For Stihl Ms192 Ms192t Ms192tc Chainsaw Zama C1q S258 1137 1 0650 Automotive



Stihl Ms 192 Chainsaw Ms192t Parts Diagram Air Filter



Stihl Ms192t Chainsaw Intake Boot Repair Part 3 Of 4 Youtube



Amazon Com Carburetor For Stihl Ms192 Ms192t Ms192tc Chainsaw For Zama C1q S258 Carb Fuel Hose Garden Outdoor



Stihl Ms192t Chainsaw Repair Must See Youtube



Stihl Ms 192 T C E In Tree Arborist Chainsaw Richardson Saw Serving Mckinney Tx
0 件のコメント:
コメントを投稿